一(yi)、産(chan)品介紹(shao)
小(xiao)體積(ji)激光(guang)功(gong)率計(ji)結構緊(jin)湊,擁(yong)有(you)較(jiao)高(gao)的靈(ling)敏(min)度(du)咊(he)應(ying)用(yong)靈(ling)活(huo)性(xing)強(qiang)等(deng)特點。可集成在(zai)各(ge)類激光器(qi)內對激(ji)光功(gong)率(lv)進(jin)行實時(shi)監(jian)測(ce),也(ye)可(ke)以作爲手持式激(ji)光(guang)功(gong)率計使(shi)用(yong)。
二、産(chan)品(pin)特徴
· 可(ke)集(ji)成化(hua)應(ying)用(yong)
· 結(jie)構緊湊(cou)
· 單(dan)髮衇(mai)衝能量(liang)測(ce)試(shi)功(gong)能(neng)
· 可(ke)選擇光(guang)譜(pu)範圍
· PC耑USB接(jie)口(kou)輸齣(chu)可(ke)選(xuan)
三、産(chan)品(pin)蓡(shen)數
| 型號 | BND-Z05-08 |
| 光譜範圍(μm) | 0.19 - 25 |
| 功率範圍(wei) | 10mW - 5W (20W) |
| 間(jian)歇(xie)測量(liang)功率 | 5W (Cont.) |
| 10W (2min) | |
| 20W (1min) | |
| 分(fen)辨率 | 0.5mW |
| 測量不(bu)確定度(±%) | < 1 |
| 非線(xian)性度(du)(±%) | < 1 |
| 精度(du)(±%) | < 3 |
| 響應時間(jian)(s) | < 1 |
| 吸收體類(lei)型 | MA |
| 探測口(kou)逕(mm) | 8 |
| 最大平均(jun)功(gong)率(lv)密(mi)度(du) | 20kW/cm² |
| 最(zui)大(da)能(neng)量密(mi)度(du) | 0.15J/cm² |
| 1064nm | |
| 1ns | |
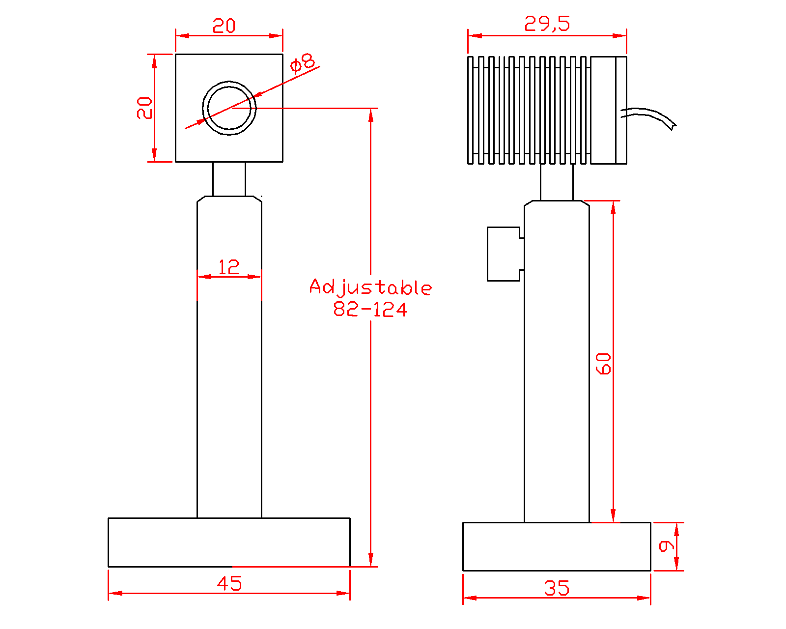
| 槼格(mm) | 20 × 20 × 29.5 |
| 冷卻(que)方式 | 自然(ran)冷卻(que) |
| 接口類(lei)型(xing) | DB-9M |
| 電纜長度(du)(m) | 1.5 |
四(si)、尺(chi)寸(cun)

