<p id="2PfacZh"><th id="2PfacZh"></th></p>
        1. <fieldset></fieldset>
          <td id="2PfacZh"><dir id="2PfacZh"></dir></td>

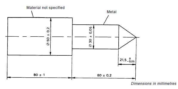
                  IEC61032 Test Probe 41 BND-41

                  Product Description:Technical Parameters:1,Test Rod Diameter: 30mm2, Rigid Finger Length:80mm3,Handle Diameter:50mm4,Handle Length:80mm5, According to : IEC61032:1997 Figure 16
                  Description

                  Product Description:

                  Technical Parameters:

                  1,Test Rod Diameter: 30mm

                  2, Rigid Finger Length:80mm

                  3,Handle Diameter:50mm

                  4,Handle Length:80mm

                  5, According to : IEC61032:1997 Figure 16


                  Appliance :

                  This probe is intended to verify the protection against access to glowing heating elements.


                  IEC61032 Test Probe 41-1

                  IEC61032 Test Probe 41-2

                  kUZjV
                  <p id="2PfacZh"><th id="2PfacZh"></th></p>
                      1. <fieldset></fieldset>
                        <td id="2PfacZh"><dir id="2PfacZh"></dir></td>